Typ 01322 - Eckventil
calcPageSize())" loading="lazy" />Das im Bild dargestellte Produkt kann vom verkauften Produkt abweichen.
Verwendungsbereich
Verwendungsbereich:
Zugelassen für Luftgase, Dämpfe und tiefkalte verflüssigte Gase inkl. LNG.
Zulässige Betriebstemperaturen: -196°C (77K) bis +120°C (393K)
Beschreibung
Tieftemperatur-Eckventile, PN50
Gehäuse aus Edelstahl, aufgeflanschtes Oberteil aus Bronze
"¦live loaded¦" Spindelabdichtung
"¦öl- und fettfrei für Sauerstoff¦"
Artikel-Nr. 01322.X.001* (H=270mm)
Artikel-Nr. 01322.X.002* (H=370mm)
*Schweißende für Edelstahlrohre nach ISO 1127 oder ASTM A312
Artikel-Nr. 01322.X.0014 (H=270mm)
Artikel-Nr. 01322.X.0024 (H=370mm)
Schweißmuffe für Edelstahlrohre nach ISO 1127 oder ASTM A312
Verfügbare Sonderausführungen - nur auf Anfrage:
· Verlängerung H bis 900mm
· Ausführung mit Drosselkegel
· Ausführung mit Rückschlagkegel
· Weitere Rohrwandstärken
Zertifikate
Transportable Pressure Equipment Directive (2010/35/EU)
type-examination for LNG (DIN EN 12567)
Konformitätserklärungen
Transportable Pressure Equipment Directive (2010/35/EU)
Livebestand: Nicht auf Lager pcs (AUF LAGER)
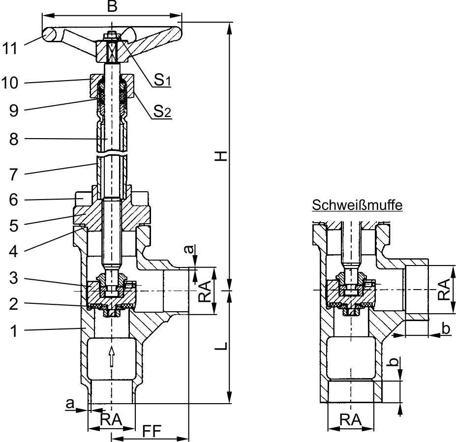
| Type (Baureihe) | 01322 |
|---|---|
| Anwendung | LNG, Luftgase |
| Anwendungsbereich | Transport, Lagerung, Betankung, Prozesse |
| Artikelnummer | CR_01322 |

Werkstoffe |
DIN EN |
ASTM |
|
|---|---|---|---|
1 |
Gehäuse |
1.4308 |
A 351 CF8 |
2 |
Dichtung |
PTFE / Elektrocarbon (25%) |
|
3 |
Abschlusskörper |
CW614N |
B 283 UNS C38500 |
4 |
Oberteildichtung |
PTFE |
|
5 |
Oberteilflansch |
CC493K |
B 505 UNS C93200 |
6 |
Oberteilschrauben |
1.4301/A2 |
A 194 B8 |
7 |
Verlängerungsrohr |
1.4541 |
A 213 TP 321 |
8 |
Spindel |
1.4301 |
A 276 Grade 304 |
9 |
Stopfbuchspackung |
Graphit / PTFE |
|
10 |
Stopfbuchsmutter |
CW614N |
B 283 UNS C38500 |
11 |
Handrad |
Aluminium Legierung |
Typ 01322 - Standardausführung |
Technische Daten |
||||||
|---|---|---|---|---|---|---|---|
Nenngröße |
DN |
15 |
20 |
25 |
32 |
40 |
50 |
Größenschlüssel |
.X. |
1521 |
2026 |
2533 |
3242 |
4048 |
5060 |
Baulänge |
FF |
40 |
50 |
55 |
60 |
58 |
85 |
Höhe |
H |
270mm oder 370mm |
|||||
äußerer Rohr-Ø ISO 1127 |
RA |
21,3 |
26,9 |
33,7 |
42,0 |
48,3 |
60,3 |
Wandstärke Rohr ISO 1127 |
a |
2,0 |
2,0 |
2,0 |
2,0 |
2,0 |
2,0 |
äußerer Rohr-Ø ASTM A312 |
RA |
21,34 |
26,67 |
33,40 |
- |
48,26 |
60,33 |
Wandstärke Rohr ASTM A312 |
a |
Abmessungen nach S10 oder S40 |
|||||
Muffentiefe |
b |
10 |
13 |
13 |
13 |
13 |
16 |
Handrad-Ø |
B |
100 |
100 |
100 |
125 |
125 |
125 |
Länge |
L |
50 |
65 |
80 |
80 |
90 |
90 |
Schlüsselweite |
S1 |
7 |
7 |
7 |
10 |
10 |
10 |
Schlüsselweite |
S2 |
30 |
30 |
30 |
36 |
36 |
36 |
Gewicht |
ca. kg |
1,4 |
1,6 |
2,2 |
4,0 |
4,3 |
6,5 |
Kvs-Wert |
m³/h |
6,0 |
10,5 |
17,2 |
32,0 |
35,0 |
57,0 |
Cv-Wert |
gal/min |
7,0 |
12,2 |
20,0 |
37,2 |
40,7 |
66,3 |
Produktvarianten
Filtern Sie unser Produkt nach spezifischen Attributen| Name | Anschlussart Eintritt | Anschlussart Austritt | Anschlussdimension Eintritt | Anschlussdimension Austritt | Bauhöhe (H) | Nennweite | Link zum Produkt |
|---|
- ...
- ...
Ausgewähltes Portfolio
Die hier dargestellten Produkte zeigen nur eine Auswahl unseres Portfolios.
Wir bieten zahlreiche weitere Varianten sowie kundenspezifische Lösungen an.
Sie suchen eine bestimmte Konfiguration, Größe oder Spezifikation?