Typ 06405 - Wechselventil
calcPageSize())" loading="lazy" />Das im Bild dargestellte Produkt kann vom verkauften Produkt abweichen.
Verwendungsbereich
Verwendungsbereich:
Zugelassen für Luftgase, Dämpfe und tiefkalte verflüssigte Gase inkl. LNG.
Zulässige Betriebstemperatur: -196°C (77K) bis +185°C (458K)
Beschreibung
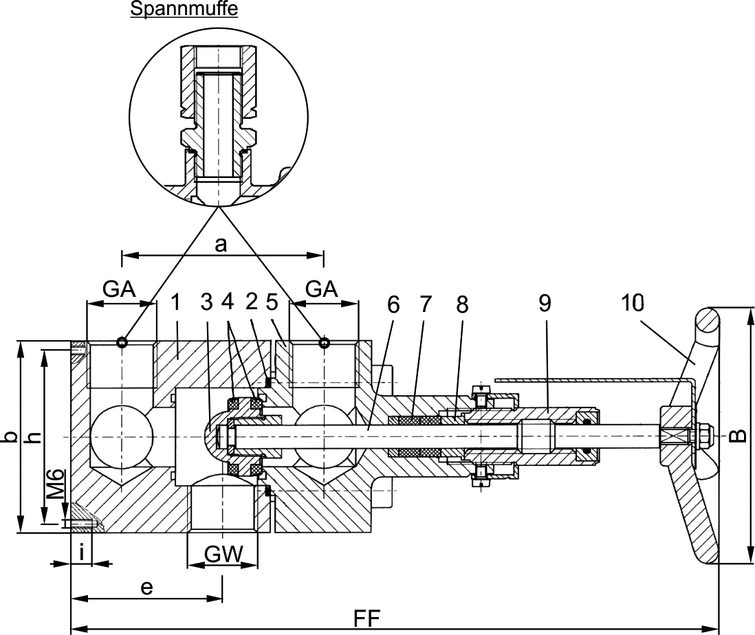
Tieftemperatur-Wechselventile aus Messing
zum Aufbau von zwei Sicherheitsventilen,
mit Anzeigevorrichtung und zwei Prüfanschlüssen G 1/4,
"¦öl- und fettfrei für Sauerstoff¦"
Artikel-Nr. 06405.0150.0000, DN15, PN40, metallisch dichtend
Innengewindeanschluss (G) nach ISO 228/1
Artikel-Nr. 06405.0150.6000, DN15, PN40, metallisch dichtend
Innengewindeanschluss NPT nach ANSI B 1.20.1
Artikel-Nr. 06405.0250.0000, DN25, PN45, PTFE-Dichtung
Innengewindeanschluss (G) nach ISO 228/1
Artikel-Nr. 06405.0250.6000, DN25, PN45, PTFE-Dichtung
Innengewindeanschluss NPT nach ANSI B 1.20.1
Verfügbare Sonderausführungen - nur auf Anfrage:
· Ventil mit Berstscheibenanschluss
· Austritt GA mit installierter Spannmuffe zum einfachen Ausrichten der Sicherheitsventile
· Austritt GA mit Gewinde 3/4''
Zertifikate
Livebestand: Nicht auf Lager pcs (AUF LAGER)
| Type (Baureihe) | 06405 |
|---|---|
| Anwendung | LNG, Luftgase |
| Anwendungsbereich | Transport, Lagerung, Betankung |
| Artikelnummer | CR_06405 |

Werkstoffe |
DIN EN |
ASTM |
|
|---|---|---|---|
1 |
Gehäuse I |
CW614N |
B 283 UNS C38500 |
2 |
Dichtring |
CW024A |
C12200 |
3 |
Kegel |
1.4301 |
A 276 Grade 304 |
4 |
Dichtung DN25 |
PTFE |
|
5 |
Gehäuse II |
CW614N |
B 283 UNS C38500 |
6 |
Spindel |
1.4301 |
A 276 Grade 304 |
7 |
Stopfbuchspackung |
Graphit / PTFE |
|
8 |
Stopfbuchse |
CW614N |
B 283 UNS C38500 |
9 |
Spindelmutter DN15 |
CW710R |
keine Referenz |
9 |
Spindelmutter DN25 |
CW614N |
B 283 UNS C38500 |
10 |
Handrad |
Aluminium-Legierung |
Typ 06405 - Standardausführung |
Technische Daten |
||
|---|---|---|---|
Nenngröße |
DN |
15 |
25 |
Größenschlüssel |
.X. |
0150 |
0250 |
Eintritt |
GW |
3/4 |
1 |
Austritt |
GA |
1/2 |
1 |
Baulänge |
FF |
240 |
310 |
Länge |
a |
80 |
96 |
Länge |
b |
65 |
90 |
Länge |
e |
50 |
72 |
Länge |
h |
55 |
60 |
Gewindetiefe |
i |
12 |
12 |
Handrad-Ø |
B |
100 |
120 |
Gewicht |
ca. kg |
4,1 |
9,5 |
Kvs - Wert, eine Seite offen |
m³/h |
6,0 |
14,0 |
Cv - Wert, eine Seite offen |
gal /min |
6,9 |
16,1 |
Kvs - Wert, Mitteleinstellung |
m³/h |
13,0 |
25,0 |
Cv - Wert, Mitteleinstellung |
gal /min |
15,0 |
28,9 |
Produktvarianten
Filtern Sie unser Produkt nach spezifischen Attributen| Name | Anschlussart Eintritt | Anschlussart Austritt | Anschlussdimension Eintritt | Anschlussdimension Austritt | Nennweite | Link zum Produkt |
|---|
- ...
- ...
Ausgewähltes Portfolio
Die hier dargestellten Produkte zeigen nur eine Auswahl unseres Portfolios.
Wir bieten zahlreiche weitere Varianten sowie kundenspezifische Lösungen an.
Sie suchen eine bestimmte Konfiguration, Größe oder Spezifikation?