Typ 06512 - Wechselkugelhahn
calcPageSize())" loading="lazy" />Das im Bild dargestellte Produkt kann vom verkauften Produkt abweichen.
Verwendungsbereich
Verwendungsbereich:
Zugelassen für Luftgase, Dämpfe und tiefkalte verflüssigte Gase inkl. LNG.
Zulässige Betriebstemperatur: -196°C (77K) bis +120°C (393K)
Beschreibung
Tieftemperatur-Wechsel-Kugelhähne aus Bronze, PN50
zum Aufbau von vier Sicherheitsventilen,
Berstscheibenanschluss vorgesehen,
"¦öl- und fettfrei für Sauerstoff¦"
Artikel-Nr. 06512.X.0000
Innengewindeanschluss (G) nach ISO 228/1
Artikel-Nr. 06512.X.6000
Innengewindeanschluss NPT nach ANSI B 1.20.1
Verfügbare Sonderausführungen - nur auf Anfrage:
· Eintritt mit Löt- oder Schweissverschraubung
· Zwei extra Prüfanschlüsse 1/4'' seitlich
· Eintritt Innengewinde (GW) 1/2'' oder 3/4''
· Austritt GA1 mit installierter Spannmuffe zum einfachen Ausrichten der Sicherheitsventile
· Kombination unterschiedlicher Austrittsgewinde GA1 - GA2
· Hebelsicherung (Artikel-Nr. 55394.0043.0765)
Zertifikate
Canadian Registration Number (CRN)
type-examination for LNG (DIN EN 12567)
Livebestand: Nicht auf Lager pcs (AUF LAGER)
| Type (Baureihe) | 06512 |
|---|---|
| Anwendung | LNG, Luftgase |
| Anwendungsbereich | Transport, Lagerung, Betankung |
| Artikelnummer | CR_06512 |

Werkstoffe |
DIN EN |
ASTM |
|
|---|---|---|---|
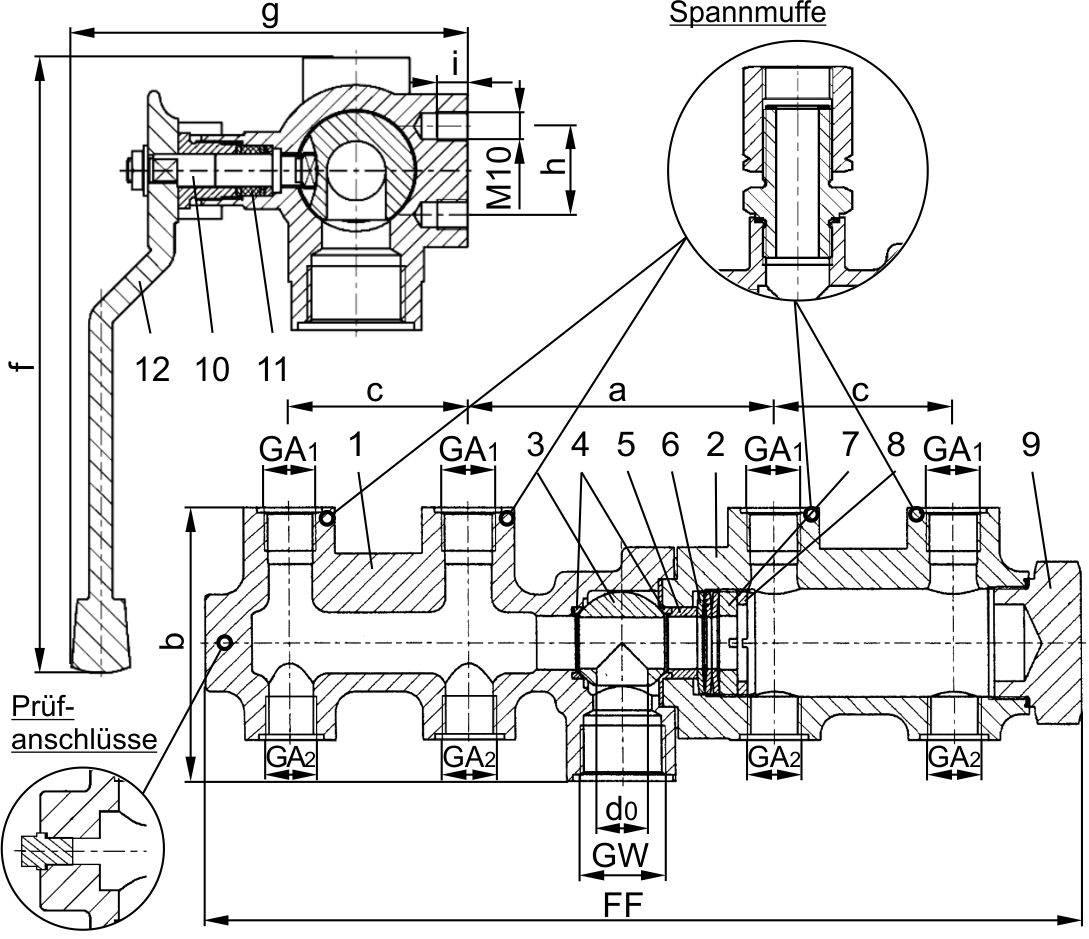
1 |
Gehäuse I |
CC491K |
B 62 UNS C83600 |
2 |
Gehäuse II |
CC491K |
B 62 UNS C83600 |
3 |
Kugel |
1.4571 |
A 276 Grade 316Ti |
4 |
Dichtschalen |
PCTFE |
|
5 |
Buchse |
CW614N |
B 283 UNS C38500 |
6 |
Tellerfedern |
1.4571 |
A 313 Grade 316Ti |
7 |
Federspanner |
CW614N |
B 283 UNS C38500 |
8 |
Gewindering |
CW614N |
B 283 UNS C38500 |
9 |
Verschlussschraube |
CW614N |
B 283 UNS C38500 |
10 |
Spindel |
1.4301 |
A 276 Grade 304 |
11 |
Stopfbuchspackung |
Graphit / PTFE |
|
12 |
Handhebel |
1.4404 |
A479 Grade 316L |
Typ 06512 - Standardausführung |
Technische Daten |
||
|---|---|---|---|
Nenngröße |
DN |
20 |
20 |
Größenschlüssel |
.X. |
2004 |
2006 |
engster Querschnitt |
d0 |
20 |
20 |
Eintritt |
GW |
1 |
1 |
Austritt |
GA1 |
1/2 |
3/4 |
Austritt |
GA2 |
1/2 |
1/2 |
Baulänge |
FF |
345 |
345 |
Länge |
a |
120 |
120 |
Höhe |
b |
107 |
107 |
Länge |
c |
70 |
70 |
Länge |
f |
223 |
223 |
Länge |
g |
134 |
134 |
Länge |
h |
30 |
30 |
Gewindetiefe |
i |
10 |
10 |
Gewicht |
ca. kg |
7,2 |
7,1 |
Kvs - Wert, eine Seite offen |
m³/h |
7,7 |
7,7 |
Cv - Wert, eine Seite offen |
gal /min |
9,2 |
9,2 |
Produktvarianten
Filtern Sie unser Produkt nach spezifischen Attributen| Name | Anschlussart Eintritt | Anschlussart Austritt | Anschlussdimension Eintritt | Anschlussdimension Austritt | Nennweite | Link zum Produkt |
|---|
- ...
- ...
Ausgewähltes Portfolio
Die hier dargestellten Produkte zeigen nur eine Auswahl unseres Portfolios.
Wir bieten zahlreiche weitere Varianten sowie kundenspezifische Lösungen an.
Sie suchen eine bestimmte Konfiguration, Größe oder Spezifikation?