Typ 06322
calcPageSize())" loading="lazy" />Das im Bild dargestellte Produkt kann vom verkauften Produkt abweichen.
Verwendungsbereich
Verwendungsbereich:
Vorgesehen als Überströmventil gegen unzulässige Drucküberschreitung
in nicht zulassungspflichtigen Leitungssystemen und Druckbehältern.
Zulässige Betriebstemperatur: -60°C (213K) bis +280°C (553K)
Beschreibung
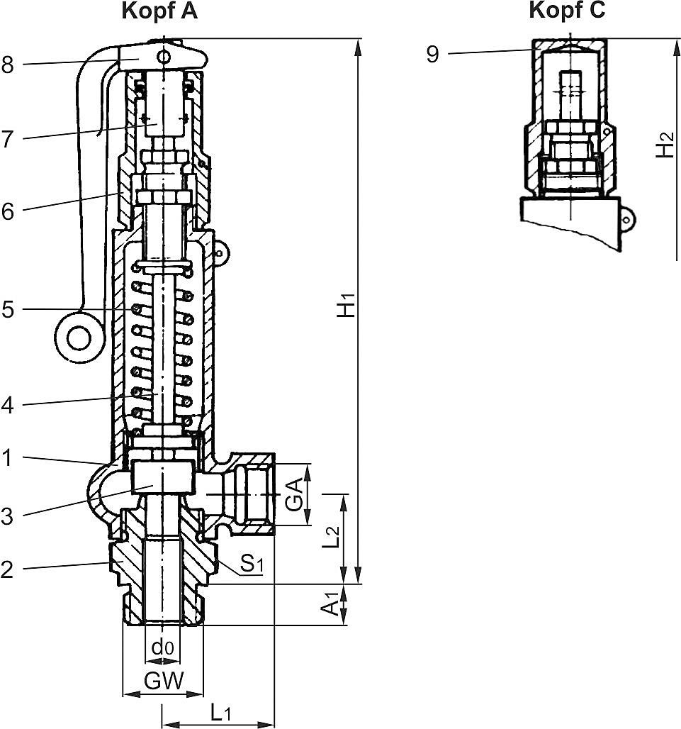
Eck-Überströmventile aus Edelstahl,
nicht bauteilgeprüft
Abschlusskörper metallisch dichtend, geschlossene Federhaube,
Eintritt: Außengewinde Typ G nach ISO 228/1
Austritt: Innengewinde Typ G nach ISO 228/1
Artikel-Nr. 06322.X.0000
mit Anlüfthebel - Kopf A
Artikel-Nr. 06322.X.0020
mit gasdichter Kappe - Kopf C
Livebestand: Nicht auf Lager pcs (AUF LAGER)
| Type (Baureihe) | 06322 |
|---|---|
| Anwendung | Luftgase |
| Anwendungsbereich | Lagerung, Prozesse |
| Artikelnummer | IN_06322 |

Werkstoffe |
DIN EN |
ASTM |
|
|---|---|---|---|
1 |
Gehäuse + Haube |
1.4581 |
A 351 CF 10MC |
2 |
Eintrittskörper |
1.4571 |
A 276 Grade 316Ti |
3 |
Teller |
1.4571 |
A 276 Grade 316Ti |
4 |
Spindel |
1.4571 |
A 276 Grade 316Ti |
5 |
Feder |
1.4310 |
A 313 Grade 301 |
6 |
Anlüfthaube |
1.4581 |
A 351 CF 10MC |
7 |
Anlüftzapfen |
1.4305 |
A 276 Grade 303 |
8 |
Hebel |
3.2581 |
keine Referenz |
9 |
Kappe |
1.4581 |
A 351 CF 10MC |
Typ 06322 |
Technische Daten |
||||||||||
|---|---|---|---|---|---|---|---|---|---|---|---|
Nenngröße |
GW |
3/8 |
3/8 |
1/2 |
3/4 |
3/4 |
3/4 |
1 |
1 |
1-1/4 |
1-1/2 |
Sitzdurchmesser |
d0 |
8 |
10 |
12,5 |
8 |
12,5 |
16 |
12,5 |
16 |
22 |
27 |
Größenschlüssel |
.X. |
0803 |
1003 |
1204 |
0806 |
1206 |
1606 |
1210 |
1610 |
2212 |
2714 |
Ansprechdruck |
bar |
50-250 |
0,1-140 |
0,1-120 |
50-250 |
50-170 |
0,1-90 |
50-170 |
0,1-90 |
0,05-55 |
0,05-45 |
Austritt |
GA |
1/2 |
1/2 |
1/2 |
1 |
1 |
1 |
1 |
1 |
1 |
1 |
Höhe |
H1 |
200 |
200 |
200 |
200 |
230 |
230 |
230 |
230 |
230 |
230 |
Höhe |
H2 |
185 |
185 |
185 |
185 |
215 |
215 |
215 |
215 |
215 |
215 |
Länge |
L1 |
40 |
40 |
40 |
40 |
50 |
50 |
50 |
50 |
50 |
50 |
Länge |
L2 |
34 |
34 |
34 |
34 |
40 |
40 |
40 |
40 |
40 |
40 |
Länge |
A1 |
12 |
12 |
14 |
16 |
16 |
16 |
18 |
18 |
20 |
20 |
Schlüsselweite |
S1 |
32 |
32 |
32 |
32 |
41 |
41 |
41 |
41 |
41 |
41 |
Gewicht |
ca. kg |
1,0 |
1,0 |
1,0 |
1,0 |
1,6 |
1,6 |
1,6 |
1,6 |
1,8 |
1,8 |
Ausgewähltes Portfolio
Die hier dargestellten Produkte zeigen nur eine Auswahl unseres Portfolios.
Wir bieten zahlreiche weitere Varianten sowie kundenspezifische Lösungen an.
Sie suchen eine bestimmte Konfiguration, Größe oder Spezifikation?