Typ 27514 - Pneumatische Stellantriebe - Absperrventil
calcPageSize())" loading="lazy" />Das im Bild dargestellte Produkt kann vom verkauften Produkt abweichen.
Beschreibung
Pneumatische Antriebe für Absperrventile inklusive Notfallhandrad
Antrieb - Luft öffnet, Feder schließt
Zuluft maximal 6,0 bar ü (Tripel - Antrieb: maximal 5 bar)
Gehäusebeschichtung: Delta Seal GZ (silbergrau)
Korrosionsschutzklasse C5-M nach DIN EN ISO 12944
Artikel-Nr. 27514.DP3X.XXXXXX
Bitte finden Sie die Differenzdrucktabelle, sowie die zulässigen
Umgebungstemperaturen auf dem Standarddatenblatt
Livebestand: Nicht auf Lager pcs (AUF LAGER)
| Type (Baureihe) | 27514 |
|---|---|
| Anwendung | LNG, Luftgase |
| Anwendungsbereich | Transport, Lagerung, Betankung, Prozesse |
| Artikelnummer | CR_27514_2 |

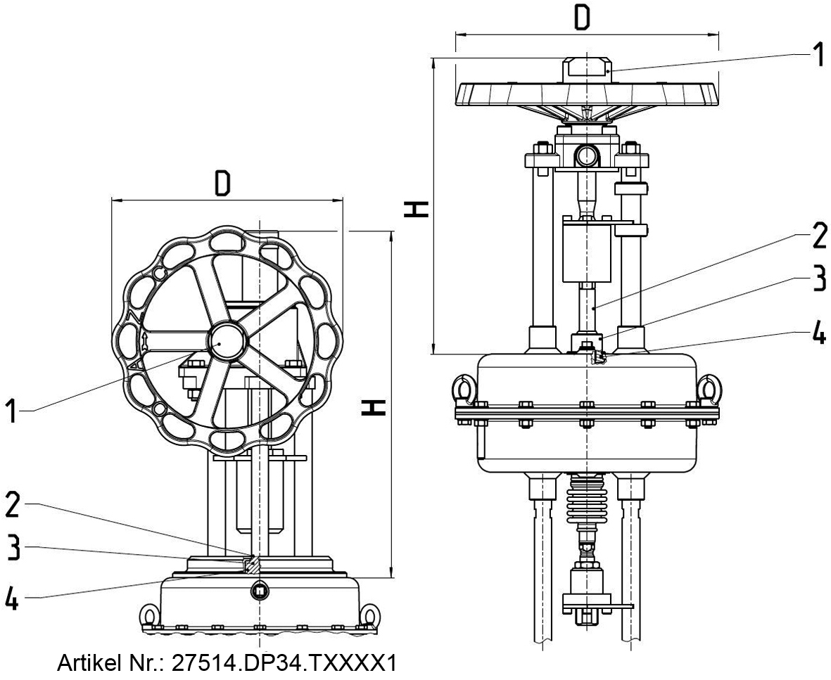
Werkstoffe |
DIN EN |
ASTM |
|
|---|---|---|---|
1 |
Kappe |
1.4571 |
A 276 Grade 316Ti |
2 |
Spindelverlängerung |
1.4571 |
A 276 Grade 316Ti |
3 |
Spindelführung |
1.4571 |
A 276 Grade 316Ti |
4 |
O-Ring |
NBR |
Typ 27514 |
Technische Daten |
||||||||||
|---|---|---|---|---|---|---|---|---|---|---|---|
Artikel-Nr. Antrieb |
27514.DP3X.XXXXXX |
||||||||||
Größenschlüssel |
*X.XXX XXX |
0.2O2 2H1 |
2.2O0 8H1 |
2.2O2 0H1 |
3.3O2 0H1 |
4.5O1 5H1 |
.4.5O2 0H1 |
4.T0P 1H1 |
4.T0P OH1 |
4.TRP 1H1 |
4.TRP OH1 |
Durchmesser Handrad |
D |
225 |
225 |
225 |
300 |
397 |
397 |
400 |
400 |
400 |
400 |
Höhe |
H |
284 |
284 |
284 |
297 |
458 |
458 |
613 |
613 |
613 |
613 |
Gewicht |
ca. kg |
10,0 |
14,0 |
14,0 |
20,0 |
62,0 |
62,0 |
157,0 |
157,0 |
191,0 |
191,0 |
Ausgewähltes Portfolio
Die hier dargestellten Produkte zeigen nur eine Auswahl unseres Portfolios.
Wir bieten zahlreiche weitere Varianten sowie kundenspezifische Lösungen an.
Sie suchen eine bestimmte Konfiguration, Größe oder Spezifikation?