Type 01301 - Globe Valve
calcPageSize())" loading="lazy" />The product shown in the picture may differ from the product sold.
Field of application
Applications:
Approved for air gases, vapours and cryogenic liquefied gases incl. LNG.
Working temperature: - 196°C / -321°F (77K) up to +120°C / +248°F (393K)
Recommended working temperature: -60°C / -76°F (213K) up to +120°C / +248°F (393K)
Certificates
Transportable Pressure Equipment Directive (2010/35/EU)
type-examination for LNG (DIN EN 12567)
Canadian Registration Number (CRN)
Live Stock: Out-Of Stock pcs (ON STOCK)
| Solution | LNG, Air Gases |
|---|---|
| Solution Area | Transport, Storage, Refueling, Processes |
| SKU | CR_01301_2 |

Materials |
DIN EN |
ASTM |
|
|---|---|---|---|
1 |
Body |
CC491K |
B 62 UNS C83600 |
2 |
Valve seal |
PTFE / Carbon filled (25%) |
|
3 |
Disc |
CW614N |
B 283 UNS C38500 |
4 |
Bonnet gasket |
PTFE |
|
5 |
Headpiece |
CC493K |
B 505 UNS C93200 |
6 |
Bolts |
1.4301/A2 |
A 194 B8 |
8 |
Stem |
1.4301 |
A 276 Grade 304 |
9 |
Gland packing |
Graphite / PTFE |
|
10 |
Gland nut |
CW614N |
B 283 UNS C38500 |
11 |
Handwheel |
Aluminium alloy |
|
12 |
Spring |
CW452K |
B 159 UNS C51900 |
13 |
Copper stubs |
CW024A |
B 152 UNS C12200 |
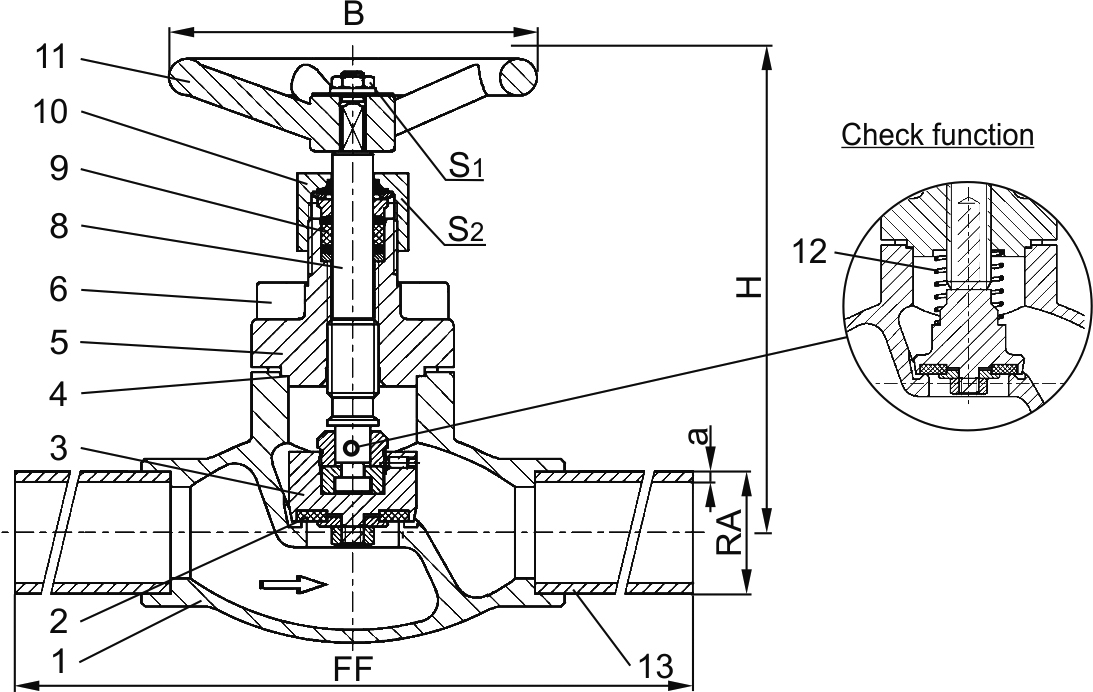
Type 01301 - Standard design |
Technical data |
||||||||
|---|---|---|---|---|---|---|---|---|---|
Nominal size |
DN |
10 |
15 |
15 |
20 |
25 |
32 |
40 |
50 |
Dimension code |
.X. |
1012 |
1515 |
1518 |
2022 |
2528 |
3235 |
4042 |
5054 |
Face-to-face dimension |
FF |
360 |
385 |
385 |
385 |
415 |
415 |
420 |
460 |
Height |
H |
140 |
140 |
140 |
140 |
140 |
170 |
175 |
200 |
Outside pipe-Ø |
RA |
12.0 |
15.0 |
18.0 |
22.0 |
28.0 |
35.0 |
42.0 |
54.0 |
Wall thickness pipe |
a |
1.0 |
1.5 |
1.5 |
1.5 |
1.5 |
1.5 |
1.5 |
2.0 |
Hanwheel-Ø |
B |
100 |
100 |
100 |
100 |
100 |
125 |
125 |
125 |
Wrench size across flats |
S1 |
7 |
7 |
7 |
7 |
7 |
10 |
10 |
10 |
Wrench size across flats |
S2 |
30 |
30 |
30 |
30 |
30 |
36 |
36 |
36 |
Weight |
ca. kg |
1.1 |
1.4 |
1.4 |
1.8 |
2.4 |
3.2 |
4.8 |
7.5 |
Kvs-Value |
m³/h |
2.2 |
4.3 |
4.3 |
6.7 |
11.5 |
12.1 |
22.6 |
37.1 |
Cv-Value |
gal/min |
2.6 |
5.0 |
5.0 |
7.8 |
13.4 |
14.1 |
26.3 |
43.2 |
Product Variants
Filter our product by specific attributes| Name | Connection inlet | Connection outlet | Connection dimension inlet | Connection dimension outlet | installation height | CV-Value | Nominal Size | Link to product |
|---|
- ...
- ...